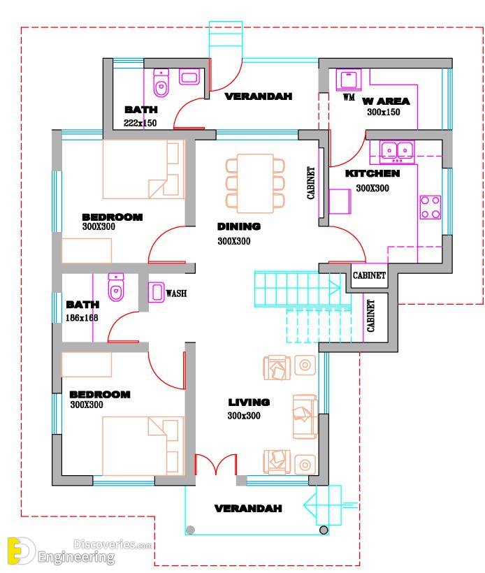
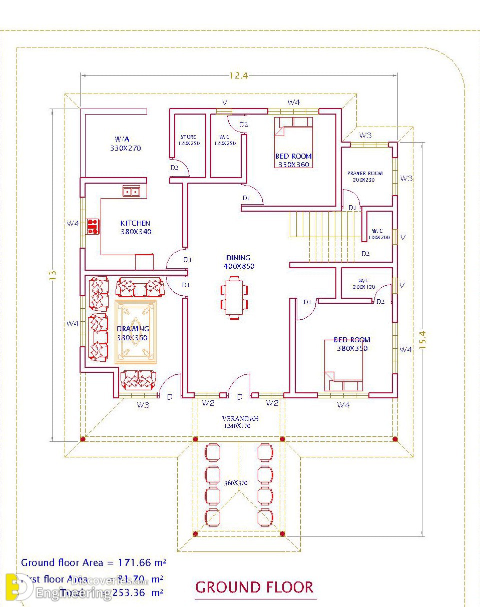
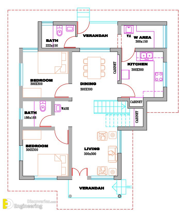
Choosing a house design is a big decision because it will shape how you live in your home. Engineers and architects are the professionals responsible for creating house plans. But nothing prevents you from looking for references to make sure that your project will look the way you always dreamed of. In today’s post, you will see 30 different models of free house plans.






























